Описание
Нержавеющая сталь является основным материалом для изготовления современных дымоходов благодаря сочетанию жаропрочности, коррозионной устойчивости и стабильной работы при длительных температурных нагрузках. А гладкая внутренняя поверхность нержавеющего дымохода минимизирует образование сажи, улучшает тягу и увеличивает срок службы отопительного оборудования. Марка AISI 304 применяется для подключения каминов, печей и твердотопливных котлов с температурой дымовых газов до 600–700 °C. В силу большого количества никеля в стали AISI 304, она является аустенитной, а следовательно стабильной по структуре и не склонной к межкристаллитной коррозии. Устойчива к воздействию окружающей среды в любых климатических условиях. Марка AISI 321 хорошо переносит длительные высокие температуры и устойчива к межкристаллитной коррозии, сохраняет прочность при циклическом нагреве и охлаждении. Её применяют для большинства сэндвич-дымоходов с базальтовой изоляцией и интенсивным режимом работы, где температура дымовых газов может достигать 700–800 °C.
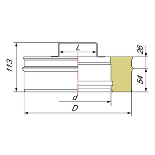
Ревизия двустенная с раструбно-профильным соединением на трубу с диаметром 200/300 мм.
Материал изготовления: нержавеющая сталь AISI 321 (матовая)/304 (зеркальная), толщина 0,5 мм.
| Материал изготовления | Нержавеющая сталь |
| Диаметр, мм | 200 |
| D, мм | 300 |
| L, мм | 106 |
| Изоляция, мм | 50 |
| Наружный контур дымохода | AISI 304 (зеркальная) |
| Внутренний контур дымохода | AISI 321 (матовая) |
| Толщина наружного контура, мм | 0.5 |
| Толщина внутреннего контура, мм | 0.5 |
| Возможность окраски | да |
| Масса, кг | 1.16 |





Отзывы
Отзывов нет.